0
Skip to Content
Summer Levin Works
Lighting
All Projects + ALD Paperwork
Into the Woods
A Midsummer Night's Dream
JBS Dance Show
Thumbelina
Set + SFX Design
Engineering Projects
All Projects
Projectile Vomit Device
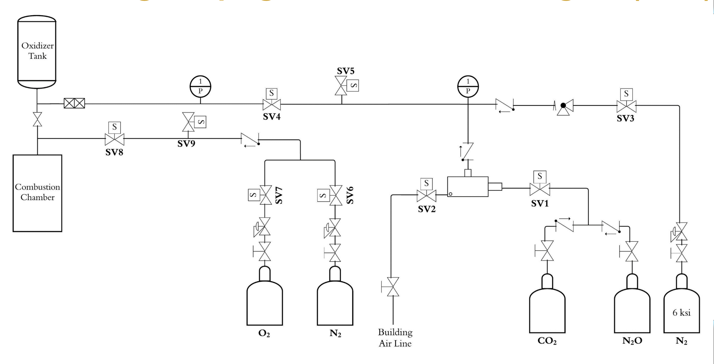
Solid-Liquid Hybrid Engine
About
Resume
Open Menu
Close Menu
Summer Levin Works
Lighting
All Projects + ALD Paperwork
Into the Woods
A Midsummer Night's Dream
JBS Dance Show
Thumbelina
Set + SFX Design
Engineering Projects
All Projects
Projectile Vomit Device
Solid-Liquid Hybrid Engine
About
Resume
Open Menu
Close Menu
Folder:
Lighting
Back
All Projects + ALD Paperwork
Into the Woods
A Midsummer Night's Dream
JBS Dance Show
Thumbelina
Set + SFX Design
Folder:
Engineering Projects
Back
All Projects
Projectile Vomit Device
Solid-Liquid Hybrid Engine
About
Resume